リフォームのケンテック
  • TEL

    0120-25-4145

    受付時間 09:00-18:00(日祝除く)

  • MAIL

    お問い合わせフォームへ

    年中無休24時間承り中

耐震補強も実施 安全に過ごせる住まいに 世田谷区M様邸

リフォームのきっかけ

中古の戸建て物件をご購入されたM様。
今回お引越し前に耐震補強や外壁塗装なども含めた全体的なリフォームをご希望されていました。

耐震補強も実施 安全に過ごせる住まいに

ビフォー
耐震補強も実施 安全に過ごせる住まいに
リフォーム前のリビング

beforeafter_before2_06
アフター
耐震補強も実施 安全に過ごせる住まいに
リフォーム後のリビング
大きな間取り変更はしていませんが、内装をやり変え全体的に明るい印象になりました。
フローリングはPanasonicのベリティスフロアーS eタイプ カームチェリー色です。
基材の「フィットボード」は高密度にしてあるため、キャスター付きのいすや家具を使ってもへこみにくく、溝も滑らかな仕上がりです。

ビフォー
耐震補強も実施 安全に過ごせる住まいに
リフォーム前のリビング②

beforeafter_before2_06
アフター
耐震補強も実施 安全に過ごせる住まいに
リフォーム後のリビング②

耐震補強も実施 安全に過ごせる住まいに
リフォーム後のリビング入口①

耐震補強も実施 安全に過ごせる住まいに
リフォーム後のリビング入口②

ビフォー
耐震補強も実施 安全に過ごせる住まいに
リフォーム前のキッチン

beforeafter_before2_06
アフター
耐震補強も実施 安全に過ごせる住まいに
リフォーム後のキッチン

タカラスタンダード レミュー W2250にお取替え。
壁面はタイルから「ホーロークリーンキッチンパネル」に変更しました。油汚れも水拭きでサッとふき取れます。ステンレスたわしでゴシゴシこすっても傷がつきません。

耐震補強も実施 安全に過ごせる住まいに
タカラのキッチンはホーロー素材で汚れが染み込まないので、水ダレや油の飛びハネで汚れやすい扉部分も、水拭きでサッとキレイになります。
油性マジックもひと拭きでキレイになります!
扉だけではなく、キャビネットの中もホーローにすることで、さらにお手入れカンタンに!誤ってキャビネットの中でケチャップを溢してしまっても、染み込まないので、サッと拭いてキレイになります。

ホーロークリーンキッチンパネル
その①マグネットが付く!!
ホーロー製だからマグネットが付くので、キッチンの壁一面に取り出しやすい収納を作ることができます。
※画像:タカラスタンダードHPより抜粋

ホーロークリーンキッチンパネル
その②伝言板としても使える!!
油性ペンも水拭きでキレイになるので、伝言板としても使えます。

※画像:タカラスタンダードHPより抜粋

ビフォー
耐震補強も実施 安全に過ごせる住まいに
リフォーム前の浴室

beforeafter_before2_06
アフター
耐震補強も実施 安全に過ごせる住まいに
リフォーム後の浴室

在来工法でのリフォーム。
壁タイルはLIXILのミスティパレット 200角(B1002)です。浴室換気乾燥暖房機も設置しました。






ビフォー
耐震補強も実施 安全に過ごせる住まいに
リフォーム前の浴槽

beforeafter_before2_06
アフター
耐震補強も実施 安全に過ごせる住まいに
リフォーム後の浴槽

浴槽はタカラスタンダードの「ルヴィアス」です。
「ルヴィアス」は鋳物ホーロー浴槽で浴槽自体が温かくなるので、触れてもあたたか。じんわり体を温めてくれるから、いつまでも触れていたと思える浴槽です。
表面硬度が非常に高いため、力を入れてこすっても、日常のお手入れでは傷つきません。

ビフォー
耐震補強も実施 安全に過ごせる住まいに
リフォーム前の洗面化粧台

beforeafter_before2_06
アフター
耐震補強も実施 安全に過ごせる住まいに
リフォーム後の洗面化粧台

LIXIL ピアラにお取替え。
間口はW600ですが、ボウルが大きく使いやすいデザインです。

耐震補強も実施 安全に過ごせる住まいに
リフォーム後の洗面化粧台

耐震補強も実施 安全に過ごせる住まいに
リフォーム後の洗面化粧台&可動棚
化粧台の左側には可動棚を設置しました。
収納するものの高さに合わせて棚の位置を変えられます。

ビフォー
耐震補強も実施 安全に過ごせる住まいに
リフォーム前のトイレ

beforeafter_before2_06
アフター
耐震補強も実施 安全に過ごせる住まいに
リフォーム後のトイレ

LIXIL リフォレI型手洗い付にお取替え。



耐震補強も実施 安全に過ごせる住まいに
以前は赤いタイルに囲まれ鮮やかな印象でしたが、黄色と白のクロスでやわらかい印象にイメージチェンジ!!
細かいものはキャビネット内に収納できるので、スッキリとしたトイレが実現しました。

ビフォー
耐震補強も実施 安全に過ごせる住まいに
リフォーム前の玄関門扉

beforeafter_before2_06
アフター
耐震補強も実施 安全に過ごせる住まいに
リフォーム後の玄関門扉

LIXIL ライシス1型にお取替え。
アプローチのタイルもやり変えてスッキリと明るい印象になりました。

ビフォー
耐震補強も実施 安全に過ごせる住まいに
リフォーム前の玄関アプローチ

beforeafter_before2_06
アフター
耐震補強も実施 安全に過ごせる住まいに
リフォーム後の玄関アプローチ

ビフォー
耐震補強も実施 安全に過ごせる住まいに
リフォーム前の外構

beforeafter_before2_06
アフター
耐震補強も実施 安全に過ごせる住まいに
リフォーム後の外構

ビフォー
耐震補強も実施 安全に過ごせる住まいに
リフォーム前の玄関

beforeafter_before2_06
アフター
耐震補強も実施 安全に過ごせる住まいに
リフォーム後の玄関

LIXIL リシェント G15型 クリエダークにお取替え。

ビフォー
耐震補強も実施 安全に過ごせる住まいに
リフォーム前の玄関①

beforeafter_before2_06
アフター
耐震補強も実施 安全に過ごせる住まいに
リフォーム後の玄関②

ビフォー
耐震補強も実施 安全に過ごせる住まいに
リフォーム前の2階ベランダ

beforeafter_before2_06
アフター
耐震補強も実施 安全に過ごせる住まいに
リフォーム後の2階ベランダ

ベランダの手摺部分は塗装し、ベランダは防水をやり変えました。

ビフォー
耐震補強も実施 安全に過ごせる住まいに
リフォーム前の屋根

beforeafter_before2_06
アフター
耐震補強も実施 安全に過ごせる住まいに
リフォーム後の屋根

ビフォー
耐震補強も実施 安全に過ごせる住まいに
リフォーム前の洋室

beforeafter_before2_06
アフター
耐震補強も実施 安全に過ごせる住まいに
リフォーム後の洋室

耐震補強も実施 安全に過ごせる住まいに

耐震補強も実施 安全に過ごせる住まいに
耐震補強工事も実施しました。

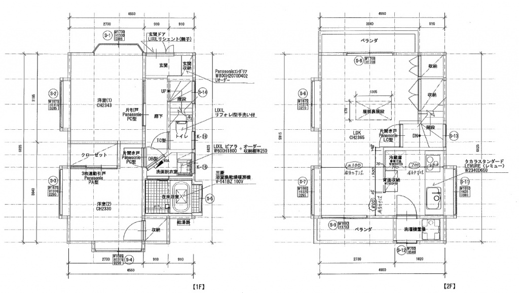
After図面

工事内容  戸建住宅1階全面リフォーム
詳細(設備機器) キッチン  タカラスタンダード レミュー W2250
浴室  在来浴室 浴槽:タカラスタンダード ルヴィアス
洗面化粧台  LIXIL ピアラW600  
トイレ  LIXIL   リフォレI型
玄関ドア  LIXIL リシェント
詳細その他) サッシ  日本板硝子 スペーシア(真空ペアガラス)
その他  建具 Panasonic ベリティス/照明 コイズミ照明 給湯器/リンナイ 他
工事費用

 約 1865万円(税込)

工事日数  約3ヶ月半
施工エリア  世田谷区

関連の全面改装を見る

リフォームのケンテック公式Instagramはこちら
page top